main
Based on a pleasant corporate environment,
Quality first principle is pursued.

Customer satisfaction is pursued
with the Products and Services that meet the customer requirements.

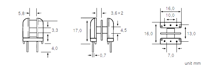
 EMI/SF COIL LINE FILTER

KLL1116

KLL1116

Specification is based on the order.